Texas Instruments TPS65321A-Q1 Automotive 3.2A Buck Converters
Texas Instruments TPS65321A-Q1 Automotive 3.2A Buck Converters combine a high-VIN DC-DC step-down converter with an adjustable switch-mode frequency from 100kHz to 2.5MHz, and a high-VIN 280mA low-dropout (LDO) regulator. The step-down converter has an input range of 3.6V to 36V, and the LDO regulator has a 3V to 36V. The buck regulator has an integrated high-side MOSFET with an active-low, open-drain power-good output pin (nRST) and provides a flexible design to fit system needs. The LDO regulator features a low-input supply current of 45µA typical in no-load mode. The TPS65321A-Q1 enables a low-voltage tracking feature to track the input supply during cold-crank conditions. Built-in protection features are offered on the device, such as soft start, current limit, thermal sensing, and shutdown due to excessive power dissipation. Additionally, the TPS65321A-Q1 has an internal Undervoltage-Lockout (UVLO) function that turns off the device when the supply voltage is too low. The TPS65321A-Q1 devices are AEC-Q100 qualified for automotive applications.Features
- Qualified for automotive applications
- AEC-Q100 Qualified with the following results:
- –40°C to +125°C Ambient operating temperature
- Device HBM ESD classification level 2
- Device CDM ESD classification level C4B
- One high-VIN step-down DC-DC converter
- Input range of 3.6V to 36V
- 250mΩ High-side MOSFET
- Maximum load current 3.2A, output adjustable 1.1V to 20V
- Adjustable switching frequency 100kHz to 2.5MHz
- Synchronizes to external clock
- High efficiency at light loads with pulse-skipping Eco-mode™ control scheme
- Maximum 140µA operating quiescent current
- Reset output pin (Active Low, Open-Drain)
- One high-VIN Low-Dropout (LDO) voltage regulator
- Input range of 3V to 36V
- 280mA Current capability with typical 35µA quiescent current in no-load condition
- Low-dropout voltage of 300mV at IO = 200mA (typical)
- Overcurrent protection for both regulators
- Overtemperature protection
- 14-Pin HTSSOP Package with PowerPAD™ integrated circuit package
Applications
- Automotive infotainment and cluster
- Advanced Driver Assistance System (ADAS)
- Automotive telematics, eCall
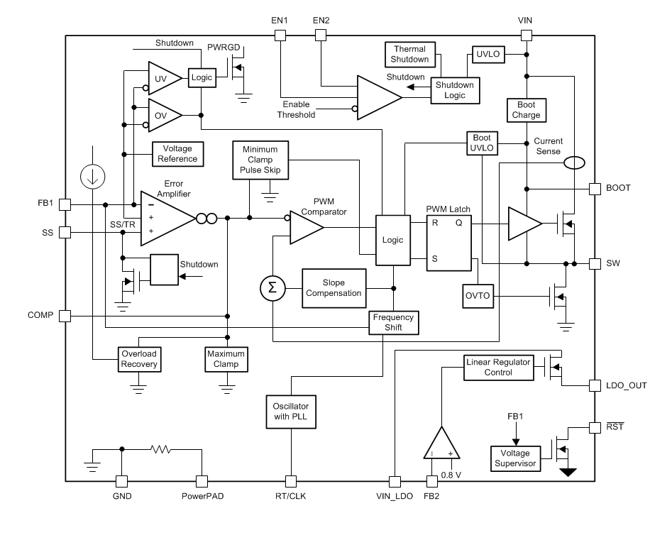
Block Diagram
Publicerad: 2018-11-15
| Uppdaterad: 2025-03-06
