Texas Instruments TPS92530-Q1 3-Channel Synchronous Buck LED Driver

Texas Instruments TPS92530-Q1 3-Channel Synchronous Buck LED Driver has a wide 4.5V to 65V operating input voltage range that can independently power three strings of series connected LEDs. The TPS92530-Q1 implements an adaptive on-time average current mode control designed to generate constant voltage or constant current output. The adaptive on-time control provides a near-constant switching frequency that can be set between 100kHz and 1.2MHz. The device is compatible with shunt FET dimming techniques and LED matrix manager-based dynamic beam headlamps in constant current mode. In constant voltage mode, the adaptive on-time control enables high bandwidth operation with fast transient response. The inductor current sensing and closed-loop feedback enables better than ±4% accuracy over wide input voltage, output voltage, and ambient temperature range.

In constant current mode, the high-performance LED driver can independently modulate LED current using analog or PWM dimming techniques. Linear analog dimming response with over 16:1 range is obtained by programming the 10-bit reference value (CHxREF) through SPI. PWM dimming of LED current is achieved by directly modulating the corresponding UDIM input pin with the desired duty cycle or by enabling the internal PWM generator circuit. The PWM generator translates the 10-bit PWM register value to a corresponding duty cycle by comparing it to a programmable digital counter.

The Texas Instruments TPS92530-Q1 incorporates advanced SPI programmable diagnostic and fault protection featuring cycle-by-cycle switch current limit, bootstrap undervoltage, LED open, LED short, thermal warning, and thermal shutdown. An onboard 10-bit ADC samples critical input parameters required for system health monitoring and diagnostics.

Features

  • AEC-Q100 qualified for automotive applications
    • Grade 1 (-40°C to 125°C ambient operating temperature)
    • Device HBM classification level H1C
    • Device CDM classification level C5
  • Functional safety capable
    • Documentation available to aid functional safety system design
  • 4.5V to 65V wide input voltage range
  • Configurable constant voltage and constant current operation
    • Up to 2A continuous output current
    • 4% regulation accuracy (voltage and current mode)
  • Adaptive on-time average current control
  • Programmable switching frequency from 100kHz to 1.2MHz
  • Advanced dimming operation
    • 10-bit precision analog dimming
    • 10-bit precision internal PWM dimming
    • Supports external PWM dimming input
    • Optimized for external shunt dimming, including LED matrix manager
  • Cycle-by-cycle switch overcurrent protection
  • Switch thermal protection
  • Serial Peripheral Interface (SPI)
    • Configurable analog reference, switching frequency, and PWM dimming duty cycle
    • Fault monitoring and reporting
  • Limp-home (LH) and standalone mode operation

Applications

  • Automotive headlight and adaptive LED driving module

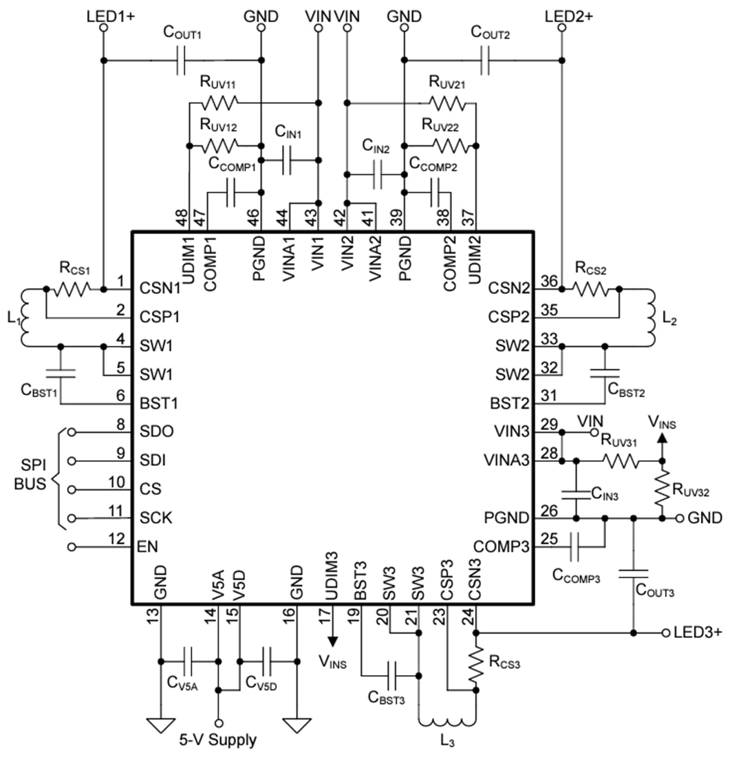
Simplified Schematic

Schematic - Texas Instruments TPS92530-Q1 3-Channel Synchronous Buck LED Driver
Publicerad: 2024-03-20 | Uppdaterad: 2024-03-27