Texas Instruments TRF1305 Dual-Channel Fully Differential Amplifier

Texas Instruments TRF1305 Dual-Channel Fully Differential Amplifier is a very high-performance, closed-loop, dual-channel RF amplifier with an operational bandwidth from true-DC to > 6.5GHz. The device has excellent performance to drive high-speed, high-performance ADCs, such as the ADC12DJ5200RF and ADC32RF5x, with a DC- or AC-coupled interface. The amplifier is optimized for RF, zero and complex IF, and high-speed time-domain applications. The device is optimized for performance in the preset gain configuration. If a lower-than-preset gain is desired, use external resistors.

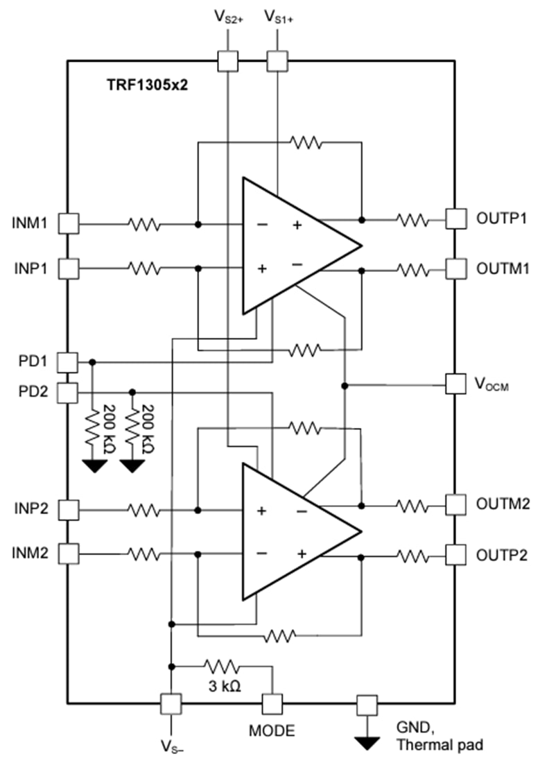
The TRF1305 features a VOCM pin that allows setting different output common-mode and input common-mode voltages (for example, for level-shifting or for most IQ down-converter ADC-interface applications that have differing DC common-mode voltages). It also has a floating 2-rail split or single-supply option and a MODE pin that allows extending the input common-mode range closer to the supplies. High channel-to-channel isolation allows the device to be used in a complex IQ transmit or receive signal chain without loss of signal integrity.

The Texas Instruments TRF1305 has a feature that allows the user to power down each channel individually. The device is fabricated in TI’s proprietary advanced BiCMOS process and is available in a space-saving, 2.5mm×3.0mm, 16-pin, WQFN-FCRLF package.

Features

  • Three performance-optimized power gain variants
    • 5dB (TRF1305A2)
    • 10dB (TRF1305B2)
    • 15dB (TRF1305C2)
  • Preset gain can be reduced with external resistors
  • High large-signal bandwidth
    • TRF1305B2: 7GHz (3dB), 6.5GHz (1dB)
  • OP1dB (differential 100Ω load)
    • 16dBm (2GHz), 12.5dBm (4GHz)
  • OIP3 of 34dBm (2GHz), 24dBm (4GHz)
  • 10.2dB (2GHz), 12dB (4GHz) noise figure 
  • 25kV/µs slew rate
  • Large input (±1V) and output (±0.5V) common-mode voltage ranges
  • Flexible configurations and modes
    • Single-ended input, differential output (S2D)
    • Differential input, differential output (D2D)
    • Single-ended output (limited performance)
    • AC- or DC-coupled input/output
    • Adjustable output common-mode voltage
    • Input common-mode range extension mode
  • Supports 5V, flexible single or split supplies
  • Active power dissipation: 500mW per channel
  • Power-down for each channel

Applications

  • RF sampling or GSPS ADC driver
  • Test and measurement
  • Wireless communications test
  • High-speed data acquisition
  • Oscilloscopes (DSOs)
  • High-speed digitizer
  • Spectrum analyzer
  • Vector signal transceiver (VST)
  • Common-mode level shifting
  • RF active balun
  • I/Q mixer interface

Functional Block Diagram

Block Diagram - Texas Instruments TRF1305 Dual-Channel Fully Differential Amplifier
Publicerad: 2024-04-15 | Uppdaterad: 2025-02-22