Texas Instruments TS3A5017/TS3A5017-Q1 Analog Switches
Texas Instruments TS3A5017/TS3A5017-Q1 Dual SP4T Analog Switches offer a 3.3V/2.5V Analog Multiplexer/Demultiplexer designed to operate from 2.3 to 3.6V. The TS3A5017/TS3A5017-Q1 allows both digital and analog signals. The TS3A5017-Q1 supports powered-off protection, ensuring the signal path is high impedance when VCC=0V. This simplifies power sequencing and improves system reliability. The TS3A5017/TS3A5017-Q1 provides excellent ON-state resistance matching, low charge injection, and low total harmonic distortion. The TS3A5017-Q1 devices are AEC-Q100 qualified for automotive applications.Features
- AEC-Q100 Qualified for automotive applications (TS3A5017-Q1)
- Device temperature of –40°C to 125°C, TA
- ±1500V Device HBM classification level
- ±1000V Device CDM classification level
- Supports powered-off protection, I/O pins Hi-Z when VCC=0V (TS3A5017-Q1)
- Low charge injection
- Low ON-State resistance
- Excellent ON-State resistance matching
- Low Total Harmonic Distortion (THD)
- 2.3V to 3.6V Single-supply operation
- Latch-up performance exceeds 100mA per JESD 78, class II
- Isolation in the powered-down mode, V+=0 (TS3A5017)
Applications
- Sample-and-hold circuits
- Infotainment audio and video signal routing
- Telematics control unit
Datasheets
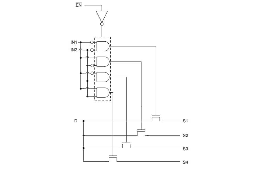
Block Diagram
Publicerad: 2018-11-21
| Uppdaterad: 2023-07-24
