Texas Instruments UCC27284/UCC27284-Q1 120V Half-Bridge Gate Drivers

Texas Instruments UCC27284/UCC27284-Q1 120V Half-Bridge Gate Drivers are robust N-channel MOSFET drivers with a maximum switch node (HS) voltage rating of 100V. The devices allow for two N-channel MOSFETs to be controlled in half-bridge or synchronous buck configuration-based topologies. The drivers offer 3.5A peak sink current and 2.5A peak source current, along with low pull-up and pull-down resistance, allowing the UCC27284/UCC27284-Q1 to drive large power MOSFETs with minimum switching losses during the transition of the MOSFET Miller plateau. Since the inputs are independent of the supply voltage, UCC27284/UCC27284-Q1 can be used in conjunction with both analog and digital controllers. Two inputs, and therefore outputs, can be overlapped, if needed, in applications such as secondary side full-bridge synchronous rectification.

The input pins, as well as the HS pin, can tolerate significant negative voltage, which improves system robustness. 5V UVLO allows systems to operate at lower bias voltages, which is necessary for many high-frequency applications and improves system efficiency in certain operating modes. Small propagation delay and delay matching specifications minimize the dead-time requirement, which further improves efficiency. Under-voltage lockout (UVLO) is provided for both the high-side and low-side driver stages forcing the outputs low if the VDD voltage is below the specified threshold. An integrated bootstrap diode eliminates the need for an external discrete diode in many applications, which saves board space and reduces system cost. The Texas Instruments UCC27284/UCC27284-Q1 is offered in a SOIC package for harsh system environments.

Features

  • AEC-Q100 qualified with the following results (UCC27284-Q1)
    • Temperature grade 1 (Tj = –40°C to 150°C)
    • Device HBM ESD classification level 1B
    • Device CDM ESD classification level C3
  • Drives two N-channel MOSFETs in high-side low-side configuration
  • 5V typical under-voltage lockout
  • 16ns typical propagation delay
  • 12ns rise, 10ns fall time with 1.8nF load
  • 1ns typical delay matching
  • 5V negative voltage handling on inputs
  • 14V negative voltage handling on HS
  • 3.5A sink, 2.5A Source output currents
  • Absolute maximum boot voltage 120V
  • Integrated bootstrap diode

Applications

  • Automotive DC/DC converters
  • Electric power steering
  • Onboard charger (OBC)
  • Integrated belt starter generator (iBSG)
  • Automotive HVAC compressor modules

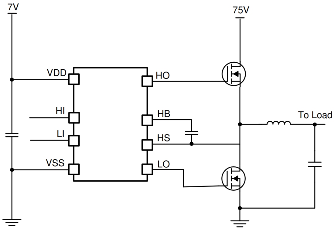
Simplified Application Diagram

Application Circuit Diagram - Texas Instruments UCC27284/UCC27284-Q1 120V Half-Bridge Gate Drivers
Publicerad: 2021-01-12 | Uppdaterad: 2023-02-01