THAT Corporation 4305 Series Pre-trimmed Analog Engine® ICs
THAT Corporation 4305 Series Pre-trimmed Analog Engine® ICs incorporate a high-performance Blackmer® voltage-controlled amplifier (VCA) and log-responding RMS-level sensor, in a small (QSOP) surface-mount package. The VCA and RMS detector are pre-trimmed at the wafer stage to support low distortion without further adjustment.The THAT Corp 4305 is intended for line-operated audio applications such as compressor/limiters, gates, and other dynamic processors. The 4305 ICs typically operate from a split supply voltage up to ±16Vdc, drawing only 3.5mA at ±15V. Furthermore, the IC works at supply voltages as low as ±4.5V, making it useful in some battery-operated products.
The device is highly flexible and allows configuration for various applications, including single- and multi-band companders, digital overload protectors, voltage-controlled faders, and level indicators. The 4305 is set apart from other manufacturers’ offerings with the transparent sound of the Blackmer VCA, coupled with the accurate trueRMS level detector, useful in a wide range of analog audio products.
Features
- Pre-trimmed Blackmer® VCA and RMS-level detector
- Wide supply voltage range of ±4.5V to ±16V
- Low supply current of 3.5mA typ. (±15V)
- Wide dynamic range
- 117dB (VCA)
- 60dB (RMS-level detector)
Applications
- Compressors and limiters
- Gates and expanders
- AGCs
- Line-operated dynamics processors
- De-Essers
- Duckers
- Mixers
- Level indicators
- Companding noise reduction systems
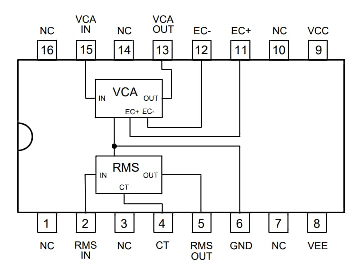
Block Diagram
Simplified Application Circuit
