Toshiba TB9103FTG Gate Driver IC
Toshiba TB9103FTG Gate Driver IC is a single-channel H-bridge gate driver and a two-channel half-bridge gate driver for automotive applications. This Toshiba gate driver incorporates a charge pump circuit and utilizes an N-type external MOSFET. The functionality is streamlined to focus on turning the motor on and off, making it compact. The TB9103FTG is suitable for latching motor drive applications, including sliding doors and back doors. The IC is also ideal for motor drive applications in windows, mirrors, and seats.Features
- Equipped with half-bridge and H-bridge control modes
- Can be used as a two-channel independent half-bridge - dead time control (monitoring Vgs) and shutdown control for each channel
- Can be used as an H-bridge by combining half-bridges - dead time control and shutdown control as H-bridge
- Low-power sleep mode
- Equipped with various fault detections
- VB low-voltage detection, VCC low-voltage detection, VCP over-voltage boost detection
- Gate-source voltage detection, gate-voltage fault shutdown
- Drain-source voltage detection (can set detection levels), overcurrent shutdown
- Overheat detection, shutdown
- Notification from the open-drain output pin when a fault is detected
- Operating voltage range
- 7V to 18V (VB)
- 4.5V to 5.5V (VCC)
- 40V input voltage
- Built-in 2x boost charge pump circuit capable of driving logic-level gate FETs
- AEC-Q100 Grade 1 qualified
- 4mm2 VQFN24 package
Applications
- Power backdoors
- Power slide doors
- Power windows
- Power seats
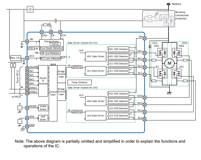
Simplified Block Diagram
DC Motor Control Circuit
Videos
Publicerad: 2025-03-18
| Uppdaterad: 2025-09-16
