Vishay IHXL1100OZ Through-Hole Inductors
Vishay IHXL1100OZ Through-Hole Inductors are available in standard commercial and automotive designs, depending on the model. These inductors feature a radial design, magnetically shielded construction, a 10% inductance tolerance, and a high-temperature rating of up to +155°C. The IHXL1100OZ inductors handle high transient current spikes without saturation and have a flat surface for mounting a heat sink or active cooling cold plates. Vishay IHXL1100OZ Through-Hole Inductors are suitable for switching regulators, in-line noise filters, differential mode chokes, and DC/DC converters.Features
- AEC-Q200 qualified (IHXL1100OZ-3A model only)
- Magnetically shielded construction
- Flat surface for mounting heat sink or active cooling cold plate
- Handles high transient current spikes without saturation
Applications
- Automotive high current filters (IHXL1100OZ-3A model only)
- High current filters
- Switching regulators
- In-line noise filters
- Differential mode choke
- Boost power factor correction choke
- 12V, 24V, 48V DC/DC converters
- High-current battery charging
Specifications
- 1µH to 10µH inductance range
- 0.28mΩ to 2.35mΩ DCR range
- 41A to 191A heat rating current range
- 35A to 149A saturation current range
- 10% inductance tolerance
- -55°C to +155°C operating temperature range
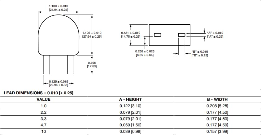
Dimensions
Datasheets
Publicerad: 2024-10-02
| Uppdaterad: 2024-10-14
