Vishay VO2223B Optocouplers
Vishay VO2223B Optocouplers are optically-coupled phototriacs which drive integrated power TRIACs. These optocouplers feature galvanic and electrical noise isolation and can directly drive medium AC loads with low voltage input signal. The VO2223B optocouplers offer a high blocking voltage of 600V, which permits control of off-line voltages up to 230VAC and is sufficient for as much as 380VAC. Typical applications include air conditioners, microwave ovens, washing machines, and refrigerators.Features
- Packaging:
- DIP-8 for VO2223B and VO2223B-X001
- SMD-8 for VO2223B-X007T and VO2223B-X017T
- Fully integrated power TRIAC
- Pure tin leads
Specifications
- 5300VRMS isolation test voltage
- 10mA maximum trigger current
- 1ARMS load current
- 600V/μs critical rate of rising of off-state voltage (dV/dt)
- 2.5mA to 10mA trigger input current
- 10μA maximum input reverse current
- 0.9V to 1.4V forward voltage
- 1.7V peak on-state voltage
- 100μA peak off-state current
- 25mA maximum holding current
Applications
- Air conditioners
- Microwave ovens
- Washing machines
- Refrigerators
- Fan heaters
- Inductive heating cooker
- Water heaters
- Industrial equipment
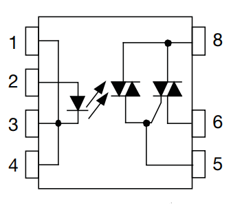
Vishay VO2223B Optocouplers Internal Circuitry
Publicerad: 2018-04-11
| Uppdaterad: 2022-03-10
