Wolfspeed SpeedVal™ Kit Modular Evaluation Platforms

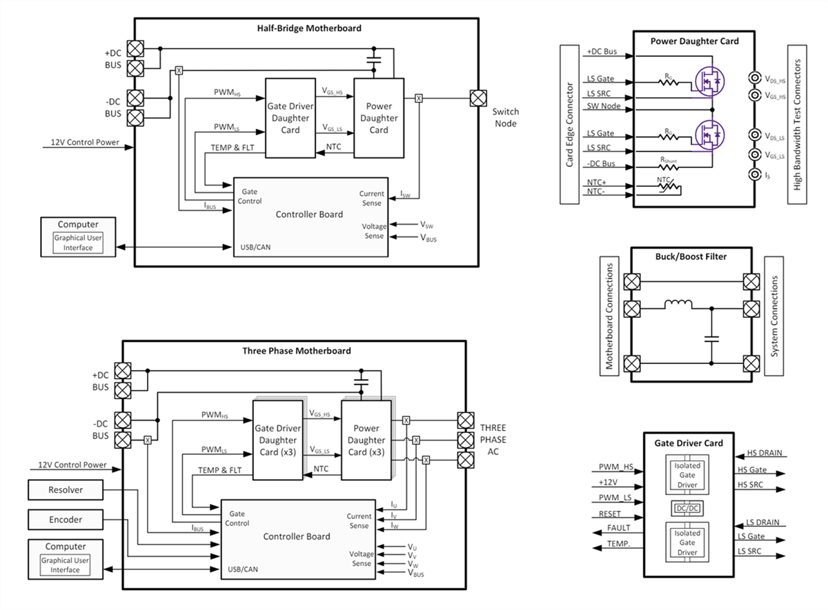
Wolfspeed SpeedVal™ Kit Modular Evaluation Platforms feature a flexible set of building blocks for in-circuit system performance evaluation that speeds the transition from silicon to silicon carbide (SiC). The platforms enable the testing of Silicon Carbide devices, gate drivers, and controls at actual operating conditions, allowing users to make the transition to their design confidently. These evaluation platforms offer a range of power topologies, package types, and voltages that support almost any application. The platforms consist of a range of evaluation boards, including a motherboard, power daughter card, gate driver card, an optional control card, and other optional accessories.

The kits allow quick evaluation and optimization of the high-speed dynamic switching performance of Wolfspeed silicon carbide MOSFETs when paired with a range of gate driver options. The platforms perform high-power thermal testing to evaluate operations at actual operating points. An accurate modular spice model for each block in the system allows engineers to compare test data with simulations and build upon the simulation file to model users' systems.

A unique card-edge connection to the power daughter card enables users to modify Silicon Carbide devices in seconds while maintaining a low-inductance connection to the DC bus. This means testing that took weeks can now take minutes. The power daughter card approach allows the same platform to evaluate SiC devices in various packages, from surface-mount TOLL devices through TO-247 packages.

The three-phase motherboard holds the same capabilities as the half-bridge board and also allows rapid testing of silicon carbide devices at real operating conditions across a range of 2kW to 30kW three-phase industrial motor drives, EV auxiliary motors, heat pumps, and air conditioners.

Features

  • Multiple configurations
  • Quickly swap devices for testing
  • Verified compatible components
  • Heatsink preassembled on board
  • BNC connector for lower VDS measurement
  • Buck/Boost up to 15kW
  • 3-phase inverter up to 30kW
  • Test 650V to 1200V devices

Applications

  • Automotive
  • Renewable energy
  • Power supplies
  • PV inverters
  • Onboard EV battery chargers
  • Industrial power
  • Drivetrain traction inverters
  • High-voltage DC/DC converters
  • Motor drives

Block Diagrams

Block Diagram - Wolfspeed SpeedVal™ Kit Modular Evaluation Platforms
Block Diagram - Wolfspeed SpeedVal™ Kit Modular Evaluation Platforms
Block Diagram - Wolfspeed SpeedVal™ Kit Modular Evaluation Platforms

Videos

Publicerad: 2023-10-04 | Uppdaterad: 2025-12-04