Analog Devices / Maxim Integrated MAX17687 Iso-Buck DC-DC Converter
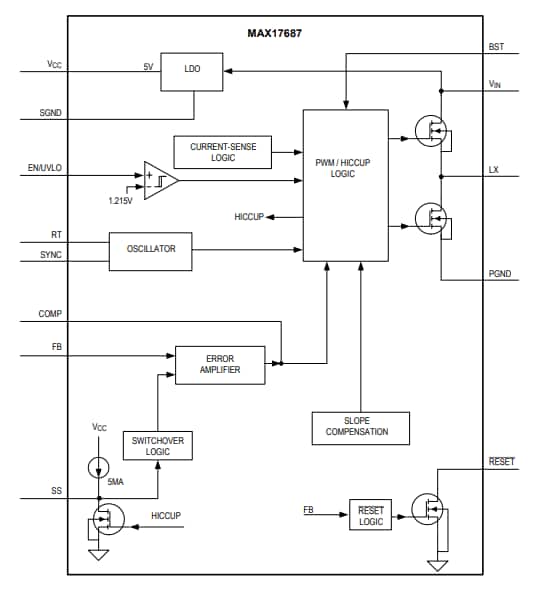
Analog Devices MAX17687 Iso-Buck DC-DC Converter is a 4.5V to 60V input, ultra-small, high-efficiency, and high-voltage device designed to provide isolated power up to 10W. This DC-DC converter uses primary-side feedback to regulate the output voltage and provides a primary peak current of up to 3.2A. The primary output voltage is regulated to within ±1.2%. The MAX17687 converter provides peak-current-mode control with Pulse-Width Modulation (PWM) scheme. The device features low-resistance on-chip MOSFETs that simplify the layout and ensure high efficiency at full load.Features
- Eliminates external components and reduces total cost:
- Synchronous primary operation for high efficiency and reduced cost
- All-ceramic capacitors and ultra-compact layout
- Supports numerous isolated DC-DC applications:
- Wide 4.5V to 60V input voltage range
- Delivers up to 3.2A peak current
- 100kHz to 500kHz adjustable frequency with external synchronization
- 20-Pin, 4mm x 4mm TQFN package
- Reduces power dissipation:
- >90% peak efficiency
- 2.8μA (typical) shutdown current
- Operates reliably in adverse industrial environments:
- Hiccup-mode current limit, sink current limit, and auto-retry startup
- Programmable EN/UVLO threshold
- Adjustable soft-start
- -40°C to +125°C ambient operating temperature range
- -40°C to +150°C junction temperature range
Applications
- Industrial process control
- Communication hub in smart meters
- Isolated power supplies in medical equipment
- Floating power supply generation
Application Circuit
Block Diagram
Additional Resources
Publicerad: 2019-05-27
| Uppdaterad: 2023-04-17
