Analog Devices Inc. MAX22000 Evaluation Kit (MAX22000EVKIT)
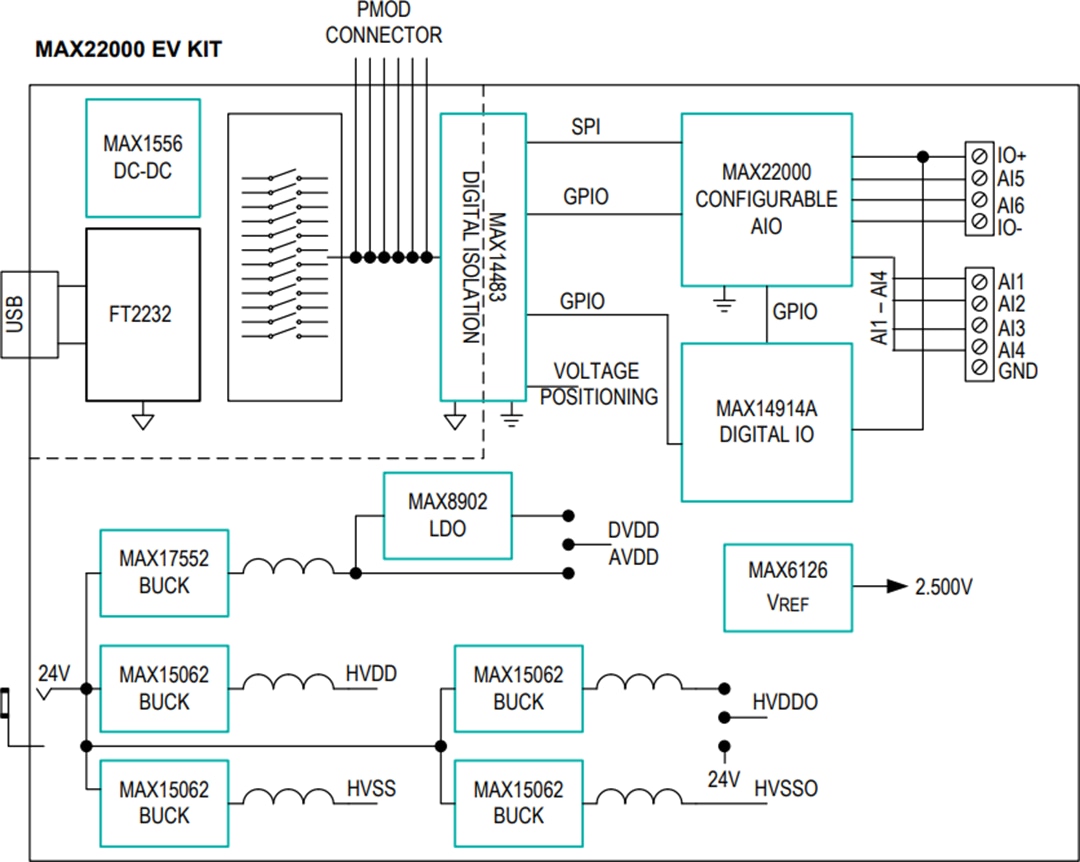
Analog Devices MAX22000 Evaluation Kit (MAX22000EVKIT) provides a demonstration platform for the MAX22000 Industrial Analog I/O, both natively and in conjunction with the MAX14914A Industrial Digital I/O. The MAX22000 is an industrial-grade configurable analog input/output device that can be configured on-the-fly in software as a voltage input/output or current input/output. Additional inputs are available to measure other analog signals.The MAX22000EVKIT is designed to connect to a PC through a USB port. A Graphical User Interface (GUI) can then be used to configure and control the Evaluation Kit. Since there is no onboard microprocessor, all coordination and low-level SPI transactions are managed by code on the PC as part of the GUI. This feature is ideal for quick evaluation and to explore the features and functions of the MAX22000.
The MAX22000EVKIT also includes a MAX14914A that parallels the MAX22000 on its output. The Evaluation Kit can be set using jumpers to connect the MAX22000 and the MAX14914A together, forming a configurable (analog or digital) I/O solution.
Features
- MAX22000 industrial analog I/O in an LGA64 package
- MAX14914A industrial digital I/O in a TQFN16 package
- All modes accessible: voltage input, voltage output, current input, current output, and temperature measurement
- Access to all spare inputs
- Microsoft Windows compatible GUI software
- Proven PCB layout
- Fully assembled and tested
Block Diagram
Board Layout
Additional Resources
Publicerad: 2020-10-16
| Uppdaterad: 2024-07-12
