STMicroelectronics STEVAL-A6983CV1 Evaluation Board

STMicroelectronics STEVAL-A6983CV1 Evaluation Board is designed for the A6983 synchronous monolithic step-down regulator, capable of supplying up to 3A DC to the load. The STEVAL-A6983CV1 wide input voltage range allows for a broad range of applications.

The STMicroelectronics STEVAL-A6983CV1 operates on a peak current mode architecture enclosed in a QFN16 (3mm x 3mm) package with internal compensation, minimizing design complexity and size. The STEVAL-A6983CV1 permits the switching frequency to be selected in the 200kHz to 2.3MHz range with an optional spread spectrum for improved EMC. The EN pin facilitates an enable/disable functionality. The typical shutdown current is 2μA when disabled. The device is enabled when the EN pin is pulled up, and the internal 1.3ms softstart occurs.

The STEVAL-A6983CV1 features a Power Good open collector that monitors the FB voltage. Pulse-by-pulse current sensing on both power elements implements sufficient constant current protection, and thermal shutdown prevents thermal run-away.

Features

  • AECQ100 Grade 1 qualified
  • Operating temperature range of -40°C to +150°C for Tj
  • 3.5V to 38V operating input voltage
  • Output voltage from 0.85V to VIN
  • 3A DC output current
  • 25μA operating quiescent current
  • Internal compensation network
  • High efficiency at light loads
  • 2μA shutdown current
  • Internal soft-start
  • High voltage VIN compatible enable
  • Output overvoltage protection
  • Output voltage sequencing
  • Thermal protection
  • 200MHz to 2.2MHz programmable switching frequency, stable with low ESR capacitor min 22µF
  • Optional spread spectrum for improved EMC
  • Power good
  • QFN16 (3mm x 3mm) package

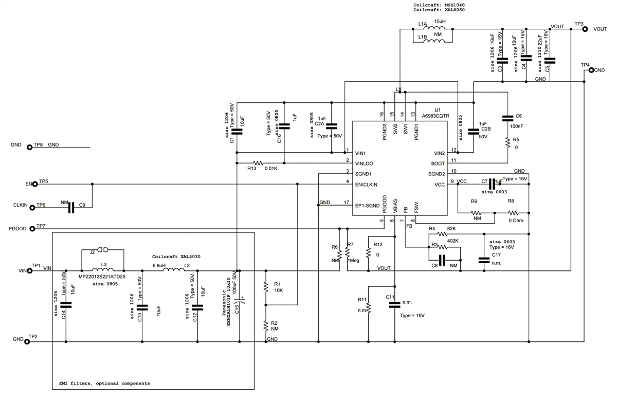
Schematic diagram

Schematic - STMicroelectronics STEVAL-A6983CV1 Evaluation Board
Publicerad: 2024-03-20 | Uppdaterad: 2024-04-04