STMicroelectronics STEVAL-A6983NV1 Evaluation Board

STMicroelectronics STEVAL-A6983NV1 Evaluation Board is based on the easy-to-use A6983 synchronous monolithic step-down regulator. The A6983 regulator can supply up to 3A DC to the load. The device offers a wide input voltage range that is ideal for a broad range of applications.

The STMicroelectronics STEVAL-A6983NV1 utilizes a peak current mode architecture and is in a QFN16 (3mm x 3mm) package with internal compensation. This packaging allows for minimizing design complexity and size. The STEVAL-A6983NV1 is created for applications active during car parking, so it maximizes the efficiency at the light load with the controlled output voltage ripple.

The STEVAL-A6983NV1 enables the switching frequency to be selected in the 200kHz to 2.3MHz range with an optional spread spectrum for improved EMC. The EN pin allows the enable/disable functionality. The typical shutdown current is 2μA when disabled. As soon as the EN pin is pulled up, the STEVAL-A6983NV1 is enabled, and the internal 1.3ms softstart takes place. The STEVAL-A6983NV1 features a Power Good open collector that monitors the FB voltage. Pulse-by-pulse current sensing on both power elements implements adequate constant current protection, and thermal shutdown prevents thermal run-away.

Features

  • AEC-Q100 Grade 1 qualified
  • Operating temperature range of -40°C to +150°C for Tj
  • 3.5V to 38V operating input voltage
  • Output voltage from 0.85V to VIN
  • 3.3V and 5V fixed output voltage versions
  • 3A DC output current
  • Internal compensation network
  • Noise sensitive applications
  • 2μA shutdown current
  • Internal soft-start
  • High voltage VIN compatible enable
  • Output overvoltage protection
  • Output voltage sequencing
  • Thermal protection
  • 0.2MHz to 2.2MHz programmable switching frequency
  • Stable with low ESR capacitor min. 22µF
  • Optional spread spectrum for improved EMC
  • Power good
  • Synchronization with an external clock
  • QFN16 (3mm x 3mm) package

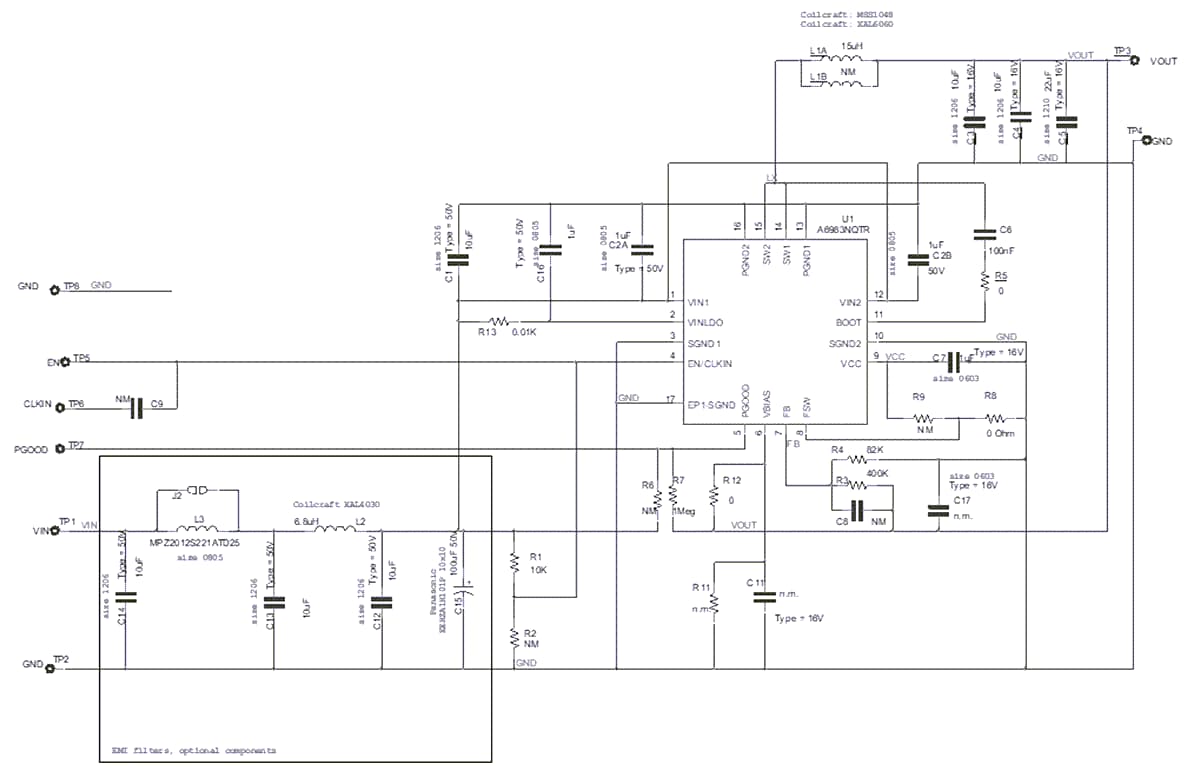
Schematic Diagram

Schematic - STMicroelectronics STEVAL-A6983NV1 Evaluation Board
Publicerad: 2024-03-20 | Uppdaterad: 2024-04-04